Remarks
-
MWR for plate bending, code clean up. Code can be found here
-
Plate buckling research.
-
Try solving buckling equation using MWR. (Result: Not how it works. So I need to try something else.)
Details
Dec 28, 2020 (Monday)
-
MWR for plate bending, code clean up. Code can be found here
-
Plate buckling research. Looks like there is also a 4th order governing equation and some boundary conditions to be used to solve the buckling in plates.
-
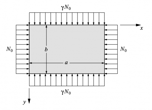
"The unloaded edges of rectangular plates can be either simply supported (ss), clamped (c) or free. The loaded edges could be either simply supported or clamped. This gives rise to ten different combination. The buckling coefficient is plotted against the plate aspect ratio a/b." [1]
- Plate buckling explanation:
Useful video 1 This one is really good!
Dec 29, 2020 (Tuesday)
-
Looks like there will be easier solutions for plate bucklings.
-
A very useful book: EXACT SOLUTIONS FOR BUCKLING OF STRUCTURAL MEMBERS
-
"We consider the classical thin plate theory (CPT), which is based on the Kirchhoff hypothesis:
(a) Straight lines perpendicular to the mid-surface (i.e., transverse normals) before deformation remain straight after deformation.
(b) The transverse normals do not experience elongation (i.e., they are inextensible).
(c) The transverse normals rotate such that they remain perpendicular to the mid-surface after deformation." [2]
- The governing equation for plate buckling is
\(\frac{\partial^4 \omega_{(x, y)}}{\partial x^4} + 2 \frac{\partial^4 \omega_{(x, y)}}{\partial x^2 \partial y^2} + \frac{\partial^4 \omega_{(x, y)}}{\partial y^4} + N_{xx} \frac{\partial^2 \omega_{(x, y)}}{\partial x^2} + N_{yy} \frac{\partial^2 \omega_{(x, y)}}{\partial y^2} = 0\)

- The boundary conditions are the same as plate bending:
- For a clamped, tilted edge, the boundary conditions are:
(1.a) \(\omega = 0\): deformation along edge is zero
(1.b) \(\frac{\partial \omega}{\partial n} = 0\): slope along normal direction is zero
- For a simply-supported, tilted edge, the boundary conditions are:
(2.a) \(\omega = 0\): deformation along edge is zero
(2.b) \(M_n = - D (\frac{\partial ^2 \omega}{\partial n ^2} + \nu \frac{\partial ^2 \omega}{\partial t ^2}) = 0\): moment along normal direction is zero
- For a free, tilted edge, the boundary conditions are:
(3.a) \(M_n = - D (\frac{\partial ^2 \omega}{\partial n ^2} + \nu \frac{\partial ^2 \omega}{\partial t ^2}) = 0\): moment along the tilted edge is zero
(3.b) \(R_n = - D (\frac{\partial ^3 \omega}{\partial n ^3} + (2 - \nu) \frac{\partial ^3 \omega}{\partial n \partial t ^2}) = 0\): reaction load along the tilted edge is zero
where \(n\) is the direction perpendicular to the tilted edge, \(t\) is the direction along the tilted edge.
-
Like plate bending, we now have a 4th order governing equation and some boundary conditions. Looks like we can use MWR to get approximate solutions for this plate buckling.
-
Some easy to notice / haven't been figured out questions:
-
Is this governing equation suitable for other shapes (arbitrary shapes)?
-
How to achieve the critical buckling load? (based on the definition, critical buckling load is the minimum buckling load, so shall we just find the minimum when we have approximated solutions?)
Dec 30, 2020 (Wednesday)
-
Keep doing research on plate buckling.
-
There are numerical / analytical solutions for some cases, these are for long rectanglar plates, (first and third BCs are on loading edge (width)):
SS-F-SS-F
C-F-C-F
SS-F-C-F
C-F-F-F
SS-SS-SS-SS
C-SS-SS-SS
C-SS-C-SS
SS-SS-F-SS
C-SS-F-SS
-
For short rectangular plate, which I believe we need to throughly study since I did see a lot of this type of plates in foldable structures, full analytical solution can be found in Timoshenko and Gere (1961). I will study this more tomorrow.
-
Notes for today's work can be found here.
Dec 31, 2020 (Thursday)
Jan 1, 2021 (Friday)
- Happy New Year!!
To-Do List
-
Comparison of two plates.
-
The current implement works for convex polygons, and concave polygons with concaves vertically, but not horizontally. For a simple example:

- ANSYS installation useful links:
https://uasatucla.org/docs/mechanical/tutorials/ansys_setup